| 제목 | 답변완료 기본개념에 대해서 | ||
|---|---|---|---|
| 질문유형 | 기타 | 교수님 | 양진목 |
| 과목 | 회로이론 | 강좌명 | |
| 작성자 | 김*중 (r********7) | 등록일 | 2021-05-30 01:07 |
| 첨부파일 | |||
|
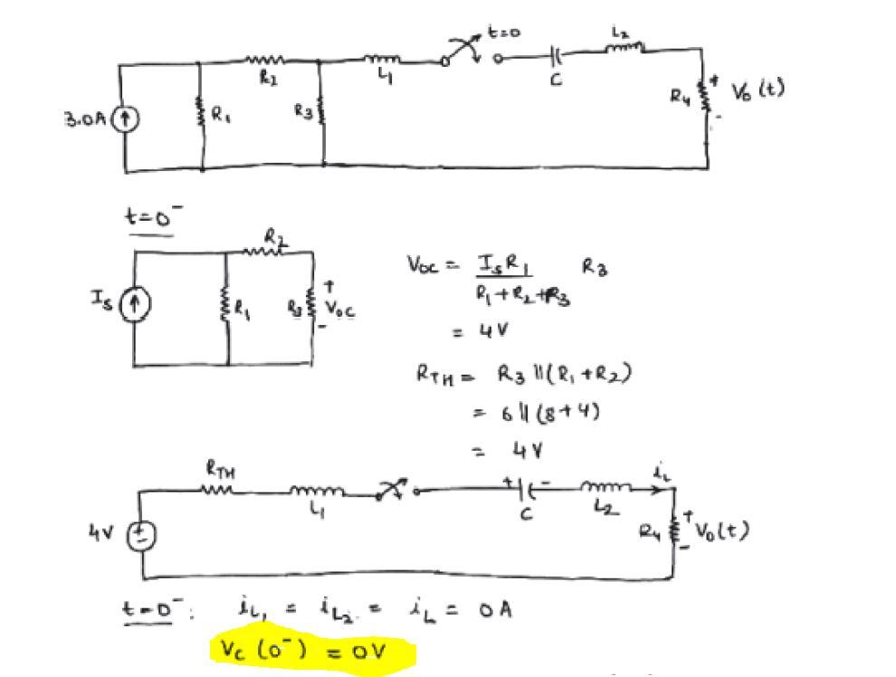
안녕하세요! 교수님의 수업을 잘듣고 학교 교재를 풀던 중 의문이 생겼습니다. 1. 첫번째 사진에서 KVL을 이용하면 Vc(0-) = 4V 아닌가요? 2. 또한 2번째 사진의 상황이 생겼을 때 저렇게 하는것이 맞나요? 3. 그렇다면 개방일 때 개방인 곳에 전압은 무조건 걸리는건가요? (정상상태에서 커패시터가 개방 될 때 경우가 아닌 일반적으로 개방이 된 상태)
감사합니다! 답변 완료된 질문과 답변은 수정 및 삭제가 불가합니다. |
|||
- 댓글
- 0
안녕하세요. 양진목입니다.
제가 지난 주말부터 지방에 일이 있어서 답변이 많이 늦어졌습니다. 불편을 드려 대단히 죄송합니다.
1번부터 3번까지의 질문이 서로 관련되어 있으므로 묶어서 답변드리겠습니다. 두번째 사진에서 이해하신 바와 같이 첫번째 사진에서 개방상태의 스위치 양단에 걸리는 전압을 고려해야 합니다. 이 전압을 v(0-)라 하면 KVL에 의해 4=v(0-)+vc(0-)가 성립하는데 커패시터전압이 vc(0-)=0V일 때, 스위치양단전압 v(0-)=4V입니다. 즉, 일반적으로 어느 단자가 개방된 경우 이 단자 사이에 걸리는 전압도 항상 고려해주는 것이 맞습니다.
답변이 되었는지 모르겠습니다.
그럼 안녕히계세요.
P.S: 그런데 Vth=8V 아닌가요?
- 2021-06-04
- 2024-12-12 수정























